Projekt domu Alf II z garażem
Promocja ważna do
24-04-2026
- Typ projektuWolnostojący
- Powierzchnia użytkowa99 m²
- Kondygnacje
- GarażJednostanowiskowy
- DachDwuspadowy
- Kąt nach. dachu30°
- Odbicie lustrzaneTak
- Czas realizacjimax. czas realizacji 10 dni Zobacz więcej >
Opis
Zgodność z WT 2021 i Eurokodami
Ze względu na dostosowywanie projektu do standardu WT 2021, czas realizacji może się różnić od standardowego.
Skontaktuj się z nami aby poznać szczegóły dotyczące wybranego projektu.
Opis projektu
Alf II na paliwo stałe to propozycja niewielkiego domu parterowego z poddaszem do adaptacji na cele użytkowe. Urokliwy, bardzo prosty dom z dachem dwuspadowym, dla 3-4-osobowej rodziny. Budynek na niewielkiej powierzchni mieści wszystkie potrzebne pomieszczenia: 3 sypialnie, salon z wyjściem na zadaszony taras, kuchnię ze spiżarnią, pralnię z przejściem do garażu, WC, łazienkę, oraz kotłownię na paliwo stałe z wejściem zarówno od ogrodu jak i z domu poprzez garaż. W holu zlokalizowano wygodne schody na poddasze, gdzie po adaptacji na cele użytkowe, zmieszczą się np. dwa pokoje oraz składzik. Dom ten dzięki niewielkim gabarytom, prostej bryle, dwuspadowym dachu oraz nieskomplikowanym rozwiązaniom konstrukcyjnym daje możliwość niedrogiej realizacji.
Konstrukcja
fundamenty: betonowe
ściany zewnętrzne: pustak ceram. porotherm+styropian termo organika
ściany wewnętrzne: pustak porotherm
rodzaj stropu: teriva
elewacje: tynk strukturalny/okł. kamienna/klinkierowa
pokrycie dachu: dachówka cem. lub cer.
Rzuty
Parter
- m²
- 1. Wiatrołap4.1
- 2. Hol7.5
- 3. Kuchnia12.2
- 3A. Spiżarnia1.5
- 4. Salon + schody27.7
- 5. Sypialnia12
- 6. Sypialnia11.3
- 7. Sypialnia9.7
- 8. przedpokój5.7
- 9. Łazienka4.9
- 10. Łazienka2.5
- 11. Kotłownia*6.7
- 12. Garaż*18.1
Piętro
Przekrój
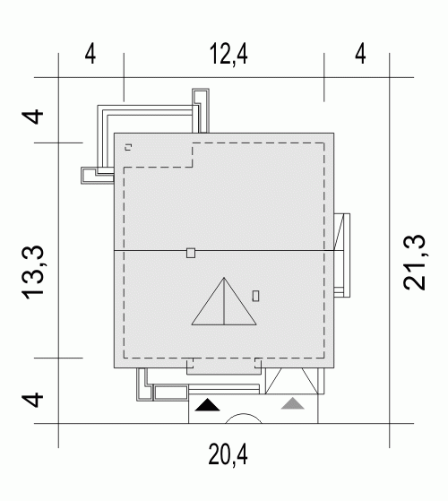
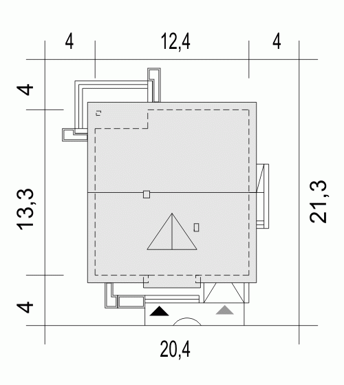
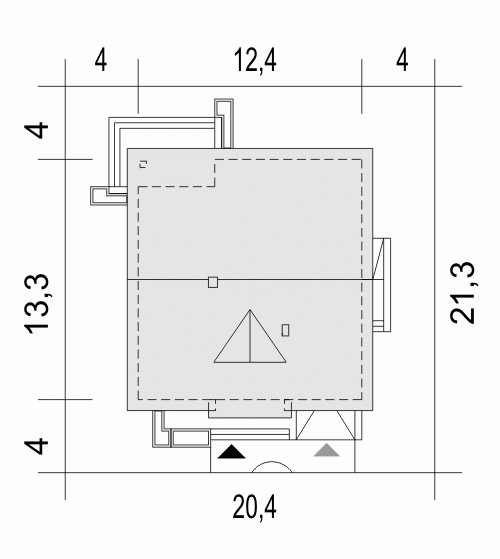
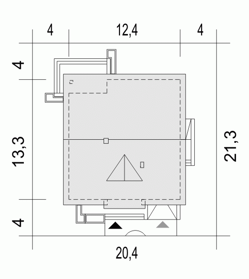
Usytuowanie na działce
Dane techniczne
- Powierzchnia użytkowa99 m²
- Powierzchnia zabudowy158.3 m²
- KominekTak
- Liczba łazienek2
- Liczba pokoi4
- Powierzchnia dachu228.5 m²
- Kubatura602 m³
- Długość domu13.3 m
- Szerokość domu12.4 m
- Wysokość domu7.5 m
- Minimalne wymiary działki21.3 x 20.4m
- GarażJednostanowiskowy
- Rodzaj dachuDwuspadowy
- Kąt nach. dachu30°
Instalacja grzewcza
- Instalacja grzewczaGaz, Paliwo stałe
- Instalacja opcjonalna
Zawartość projektu
Zgodnie ze znowelizowaną Ustawą Prawo Budowlane art.34 ust.3, na projekt budowlany składają się trzy części:
- projekt zagospodarowania działki lub terenu
- projekt architektoniczno-budowlany
- projekt techniczny
Nasze projekty oferujemy w 3 egzemplarzach, zawierających projekt architektoniczno-budowlany i projekt techniczny. Projekt zagospodarowania działki lub terenu nie wchodzi w skład projektu oferowanego do sprzedaży. Projekt ten należy zlecić we własnym zakresie lokalnemu projektantowi, który opracuje go na podstawie danych zawartych w projekcie architektoniczno-budowlanym i technicznym, po dostosowaniu projektu do warunków lokalnych i wymagań inwestora.
UWAGA: wszystkie egzemplarze projektu zabezpieczone są hologramami, w części rysunkowej posiadają nadruki zabezpieczające w kolorze zielonym. Zalecamy aby po otrzymaniu przesyłki kontrolować czy na pierwszych stronach projektu znajduje się hologram i czy na rysunkach widoczne są w/w nadruki potwierdzające oryginalność projektu.
Wyrażamy zgodę na wszelkie zmiany zgodne z obowiązującymi przepisami pod warunkiem wprowadzenia ich przez uprawnioną osobę.
Wszystkie zmiany wymienione powyżej powinny być naniesione na oryginał projektu katalogowego trwałą techniką graficzną w kolorze czerwonym lub dołączone jako aneks i podpisane przez osobę uprawnioną dokonująca adaptacji.
**ważne informacje
Projekt w fazie koncepcji dostępny z wydłużonym terminem realizacji. Przy zamówieniu ustalamy termin i pobieramy zadatek 50% podstawowej ceny projektu (jako koszty usługi przygotowania dokumentacji do standardu projektu gotowego, w przypadku rezygnacji z usługi, zadatek nie podlega zwrotowi).
Cena za dodatkowy egzemplarz projektu jest zależna od nazwy projektu!
Dodatki
Bezpłatne dodatki
GratisZestaw umów
GratisZmiany w projekcie
GratisTablica budowy
GratisDziennik budowy
Płatne dodatki

Kosztorys - stan wykończony
540 zł

Projekt wentylacji mechanicznej
1 000 zł








