- Typ projektuWolnostojący
- Powierzchnia użytkowa94.2 m²
- Kondygnacje
- GarażJednostanowiskowy
- DachWielospadowy
- Kąt nach. dachu25°
- Odbicie lustrzaneTak
- Czas realizacjimax. czas realizacji 10 dni Zobacz więcej >
Opis
Zgodność z WT 2021 i Eurokodami
Ze względu na dostosowywanie projektu do standardu WT 2021, czas realizacji może się różnić od standardowego.
Skontaktuj się z nami aby poznać szczegóły dotyczące wybranego projektu.
Opis projektu
Bratek V to projekt parterowego domu jednorodzinnego z wbudowanym garażem. To projekt domu o prostej konstrukcji przekryty dwuspadowym dachem z wiązarów prefabrykowanych. Bratek V to dom ekonomiczny w budowie i utrzymaniu. Na funkcję domu składa się w części ogólnodostępnej: wiatrołap, centralnie umieszczony przestronny salon z jadalnią, kuchnia od strony ogrodu. W pozostałej części zaprojektowano trzy pokoje sypialne, wygodną łazienkę, obszerna pralnię z kotłownią i funkcją spiżarni oraz wygodny garaż jednostanowiskowy. Konstrukcja dachu z prefabrykowanych wiązarów umożliwia wykorzystanie strychu jako przestrzeń magazynowej. Projekt domu Bratek V to ekonomiczna propozycja domu energooszczędnego o powierzchni około 100 m2, idealna na pierwszy dom dla rodziny 3-4ro osobowej.
Konstrukcja
fundamenty: betonowe
ściany zewnętrzne:: porotherm+styropian
ściany wewnętrzne:: porotherm
rodzaj stropu i konstrukcja dachu:: wiązary prefabrykowane mitek
elewacje: tynk strukturalny, okładzina drewniana
pokrycie dachu: dachówka cementowa lub ceramiczna
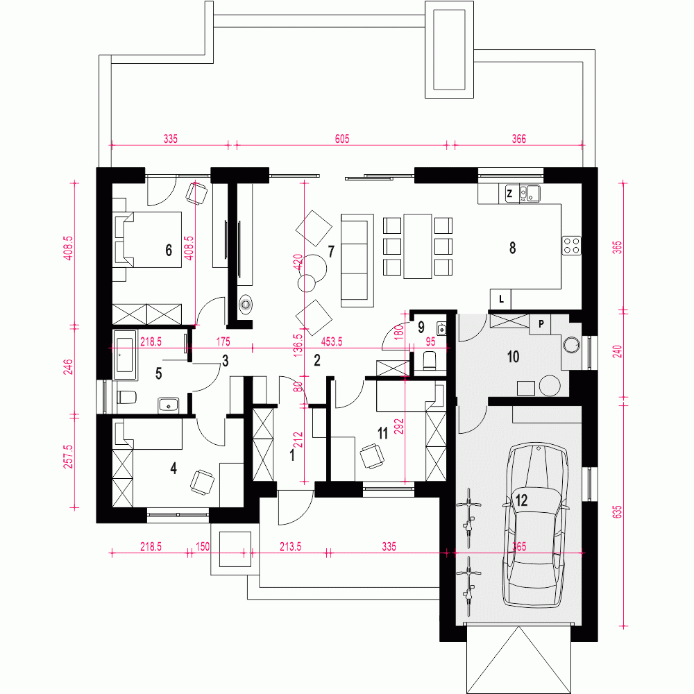
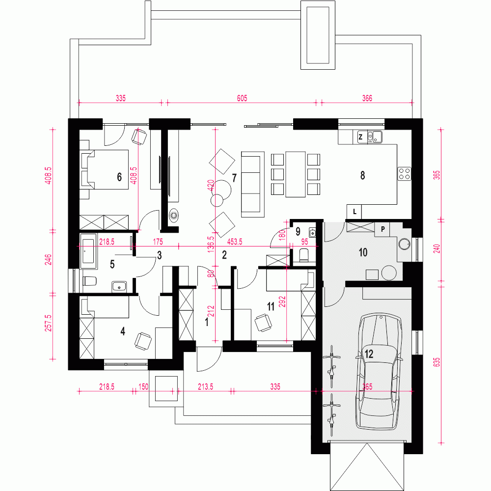
Rzuty
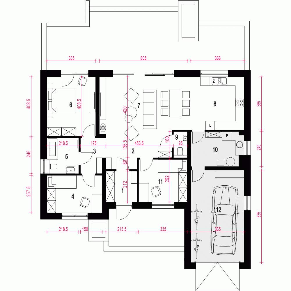
Parter
- m²
- 1. Wiatrołap4.4
- 2. Hol7.7
- 3. Korytarz3.9
- 4. Sypialnia9.6
- 5. Łazienka5.2
- 6. Sypialnia13.5
- 7. Salon + jadalnia27.9
- 8. Kuchnia10.8
- 9. Toaleta1.6
- 10. Pralnia + c.o.*8.2
- 11. Sypialnia9.6
- 12. Garaż*21.9
Przekrój
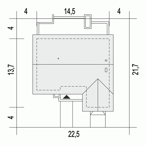
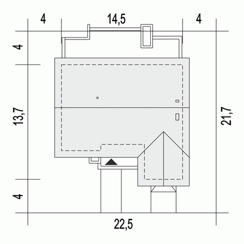
Usytuowanie na działce
Dane techniczne
- Powierzchnia użytkowa94.2 m²
- Powierzchnia zabudowy160.6 m²
- KominekTak
- Liczba łazienek1
- Liczba pokoi4
- Powierzchnia dachu233 m²
- Kubatura335 m³
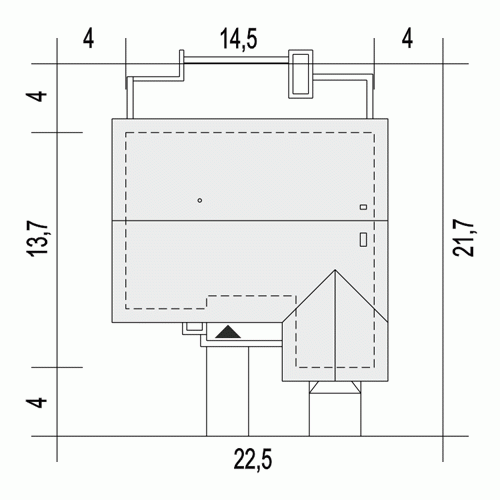
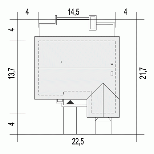
- Długość domu13.7 m
- Szerokość domu14.5 m
- Wysokość domu6.1 m
- Minimalne wymiary działki21.7 x 22.5m
- GarażJednostanowiskowy
- Rodzaj dachuWielospadowy
- Kąt nach. dachu25°
Instalacja grzewcza
- Instalacja grzewczaGaz
Zawartość projektu
Zgodnie ze znowelizowaną Ustawą Prawo Budowlane art.34 ust.3, na projekt budowlany składają się trzy części:
- projekt zagospodarowania działki lub terenu
- projekt architektoniczno-budowlany
- projekt techniczny
Nasze projekty oferujemy w 3 egzemplarzach, zawierających projekt architektoniczno-budowlany i projekt techniczny. Projekt zagospodarowania działki lub terenu nie wchodzi w skład projektu oferowanego do sprzedaży. Projekt ten należy zlecić we własnym zakresie lokalnemu projektantowi, który opracuje go na podstawie danych zawartych w projekcie architektoniczno-budowlanym i technicznym, po dostosowaniu projektu do warunków lokalnych i wymagań inwestora.
UWAGA: wszystkie egzemplarze projektu zabezpieczone są hologramami, w części rysunkowej posiadają nadruki zabezpieczające w kolorze zielonym. Zalecamy aby po otrzymaniu przesyłki kontrolować czy na pierwszych stronach projektu znajduje się hologram i czy na rysunkach widoczne są w/w nadruki potwierdzające oryginalność projektu.
Wyrażamy zgodę na wszelkie zmiany zgodne z obowiązującymi przepisami pod warunkiem wprowadzenia ich przez uprawnioną osobę.
Wszystkie zmiany wymienione powyżej powinny być naniesione na oryginał projektu katalogowego trwałą techniką graficzną w kolorze czerwonym lub dołączone jako aneks i podpisane przez osobę uprawnioną dokonująca adaptacji.
**ważne informacje
Projekt w fazie koncepcji dostępny z wydłużonym terminem realizacji. Przy zamówieniu ustalamy termin i pobieramy zadatek 50% podstawowej ceny projektu (jako koszty usługi przygotowania dokumentacji do standardu projektu gotowego, w przypadku rezygnacji z usługi, zadatek nie podlega zwrotowi).
Cena za dodatkowy egzemplarz projektu jest zależna od nazwy projektu!
Dodatki
Bezpłatne dodatki
GratisZestaw umów
GratisZmiany w projekcie
GratisTablica budowy
GratisDziennik budowy
Płatne dodatki

Kosztorys - stan wykończony
540 zł

Projekt wentylacji mechanicznej
1 000 zł







