- Typ projektuWolnostojący
- Powierzchnia użytkowa107.8 m²
- Kondygnacje
- GarażBez garażu
- DachDwuspadowy
- Kąt nach. dachu45°
- Odbicie lustrzaneTak
- Czas realizacjimax. czas realizacji 10 dni Zobacz więcej >
Opis
Zgodność z WT 2021 i Eurokodami
Ze względu na dostosowywanie projektu do standardu WT 2021, czas realizacji może się różnić od standardowego.
Skontaktuj się z nami aby poznać szczegóły dotyczące wybranego projektu.
Opis projektu
Eco 5 to projekt nowoczesnego domu z serii ECO (to seria projektów domów ekonomicznych: oszczędnych w kosztach budowy oraz w użytkowaniu,). Projekt przewidziany jest dla 4 osobowej rodziny. Na parterze projektuje się cześć ogólną, z otwartym salonem, jadalnią, kuchnią, dodatkowym pokojem sypialnym i łazienką. Z wiatrołapu dostępna jest kotłownia na paliwo stałe, która ma również dostęp od zewnątrz, co ułatwi np dostarczanie paliwa. Poddasze to część prywatna, obejmująca: aż cztery sypialnie oraz wspólną łazienkę.
Konstrukcja
fundamenty: betonowe
ściany zewnętrzne: porotherm+styropian termo organika
ściany wewnętrzne: porotherm, cegł.dziurawka
rodzaj stropu: teriva i bis
elewacje: tynk strukturalny
pokrycie dachu: dachówka cem. lub ceram.
Rzuty
Parter
- m²
- 1. Wiatrołap4.2
- 2. Hol4.4
- 3. Kuchnia7.8
- 4. Salon z jadalnią30.4
- 5. Schody2.4
- 6. Sypialnia9.8
- 7. Łazienka3
- 8. Kotłownia*6
Piętro
- m²
- 9. Schody2.2
- 10. Przedpokój4.2
- 11. Sypialnia9.3
- 12. Sypialnia8.3
- 13. Łazienka3.2
- 14. Sypialnia9.1
- 15. Sypialnia9.9
Przekrój
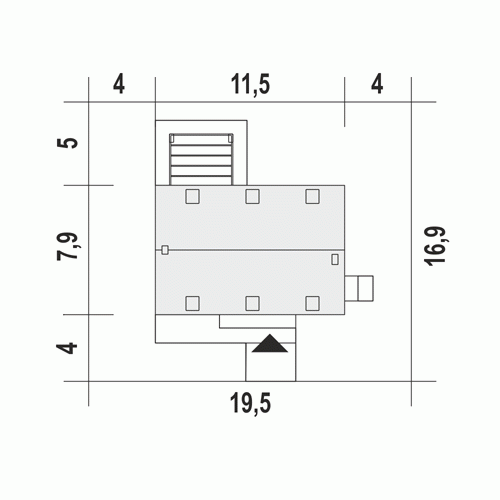
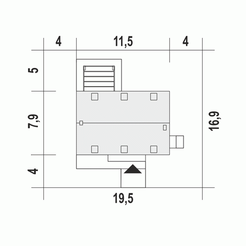
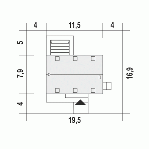
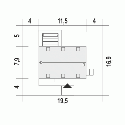
Usytuowanie na działce
Elewacja
Elewacja
Elewacja
Elewacja
Dane techniczne
- Powierzchnia użytkowa107.8 m²
- Powierzchnia zabudowy88.8 m²
- KominekTak
- Liczba łazienek2
- Liczba pokoi6
- Powierzchnia dachu125 m²
- Kubatura358 m³
- Wysokość domu8 m
- Minimalne wymiary działki16.9 x 19.5m
- GarażBez garażu
- Rodzaj dachuDwuspadowy
- Kąt nach. dachu45°
Instalacja grzewcza
- Instalacja grzewczaGaz, Paliwo stałe
- Instalacja opcjonalna
Zawartość projektu
Zgodnie ze znowelizowaną Ustawą Prawo Budowlane art.34 ust.3, na projekt budowlany składają się trzy części:
- projekt zagospodarowania działki lub terenu
- projekt architektoniczno-budowlany
- projekt techniczny
Nasze projekty oferujemy w 3 egzemplarzach, zawierających projekt architektoniczno-budowlany i projekt techniczny. Projekt zagospodarowania działki lub terenu nie wchodzi w skład projektu oferowanego do sprzedaży. Projekt ten należy zlecić we własnym zakresie lokalnemu projektantowi, który opracuje go na podstawie danych zawartych w projekcie architektoniczno-budowlanym i technicznym, po dostosowaniu projektu do warunków lokalnych i wymagań inwestora.
UWAGA: wszystkie egzemplarze projektu zabezpieczone są hologramami, w części rysunkowej posiadają nadruki zabezpieczające w kolorze zielonym. Zalecamy aby po otrzymaniu przesyłki kontrolować czy na pierwszych stronach projektu znajduje się hologram i czy na rysunkach widoczne są w/w nadruki potwierdzające oryginalność projektu.
Wyrażamy zgodę na wszelkie zmiany zgodne z obowiązującymi przepisami pod warunkiem wprowadzenia ich przez uprawnioną osobę.
Wszystkie zmiany wymienione powyżej powinny być naniesione na oryginał projektu katalogowego trwałą techniką graficzną w kolorze czerwonym lub dołączone jako aneks i podpisane przez osobę uprawnioną dokonująca adaptacji.
**ważne informacje
Projekt w fazie koncepcji dostępny z wydłużonym terminem realizacji. Przy zamówieniu ustalamy termin i pobieramy zadatek 50% podstawowej ceny projektu (jako koszty usługi przygotowania dokumentacji do standardu projektu gotowego, w przypadku rezygnacji z usługi, zadatek nie podlega zwrotowi).
Cena za dodatkowy egzemplarz projektu jest zależna od nazwy projektu!
Dodatki
Bezpłatne dodatki
GratisZestaw umów
GratisZmiany w projekcie
GratisTablica budowy
GratisDziennik budowy
Płatne dodatki

Kosztorys - stan wykończony
540 zł

Projekt wentylacji mechanicznej
1 000 zł












