Projekt domu Nowalia II Mode z garażem
- Typ projektuWolnostojący
- Powierzchnia użytkowa130.9 m²
- Kondygnacje
- GarażJednostanowiskowy
- DachDwuspadowy
- Kąt nach. dachu40°
- Odbicie lustrzaneTak
- Czas realizacjimax. czas realizacji 10 dni Zobacz więcej >
Opis
Zgodność z WT 2021 i Eurokodami
Ze względu na dostosowywanie projektu do standardu WT 2021, czas realizacji może się różnić od standardowego.
Skontaktuj się z nami aby poznać szczegóły dotyczące wybranego projektu.
Opis projektu
Projekt Nowalia II Mode została zaprojektowana na planie kwadratu z wysuniętym garażem. Prosta forma budynku oraz dwuspadowy dach wpłynie pozytywnie na koszty budowy. Jest to dom wolnostojący z poddaszem użytkowym.Strefa dzienna na parterze składa się z: salonu z kominkiem, jadalni, otwartej kuchni ze spiżarnią. Na parterze przewidziano również sypialnię z łazienką, wiatrołap, hol z garderobą, WC, kotłownię z piecem CO oraz garaż. Na poddasze wchodzi się schodami z salonu. Tu zaprojektowano hol oraz trzy sypialnie i salon kąpielowy.Dom nadaje się dla 4-5 osobowej rodziny. Architektura zewnętrzna łączy w sobie elementy tradycyjne i nowoczesne.
Konstrukcja
fundamenty: betonowe
ściany: porotherm 25cm+ocieplenie 20cm
rodzaj stropu: żelbetowy monolityczny
elewacje: tynk strukturalny
pokrycie dachu: dachówka cem. lub cer.
Rzuty
Parter
- m²
- 1. Wiatrołap2.7
- 2. Hol z garderobą6.8
- 3. Spiżarnia1.5
- 4. Kuchnia10
- 5. Salon z jadalnią26.7
- 6. Schody3.6
- 7. Pokój12.5
- 8. Łazienka2.3
- 9. WC2
- 10. Pom. tech. CO*3.7
- 11. Garaż*19
Piętro
Przekrój
Usytuowanie na działce
Dane techniczne
- Powierzchnia użytkowa130.9 m²
- Powierzchnia zabudowy118.3 m²
- KominekTak
- Liczba łazienek2
- Liczba pokoi5
- Powierzchnia dachu165.2 m²
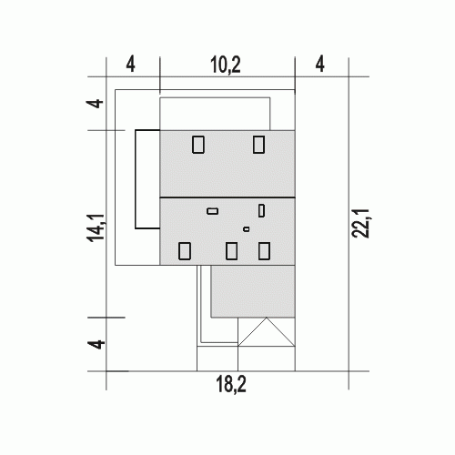
- Długość domu14.1 m
- Szerokość domu10.2 m
- Wysokość domu9.2 m
- Minimalne wymiary działki22.1 x 18.2m
- GarażJednostanowiskowy
- Rodzaj dachuDwuspadowy
- Kąt nach. dachu40°
Instalacja grzewcza
- Instalacja grzewczaGaz
Zawartość projektu
Zgodnie ze znowelizowaną Ustawą Prawo Budowlane art.34 ust.3, na projekt budowlany składają się trzy części:
- projekt zagospodarowania działki lub terenu
- projekt architektoniczno-budowlany
- projekt techniczny
Nasze projekty oferujemy w 3 egzemplarzach, zawierających projekt architektoniczno-budowlany i projekt techniczny. Projekt zagospodarowania działki lub terenu nie wchodzi w skład projektu oferowanego do sprzedaży. Projekt ten należy zlecić we własnym zakresie lokalnemu projektantowi, który opracuje go na podstawie danych zawartych w projekcie architektoniczno-budowlanym i technicznym, po dostosowaniu projektu do warunków lokalnych i wymagań inwestora.
UWAGA: wszystkie egzemplarze projektu zabezpieczone są hologramami, w części rysunkowej posiadają nadruki zabezpieczające w kolorze zielonym. Zalecamy aby po otrzymaniu przesyłki kontrolować czy na pierwszych stronach projektu znajduje się hologram i czy na rysunkach widoczne są w/w nadruki potwierdzające oryginalność projektu.
Wyrażamy zgodę na wszelkie zmiany zgodne z obowiązującymi przepisami pod warunkiem wprowadzenia ich przez uprawnioną osobę.
Wszystkie zmiany wymienione powyżej powinny być naniesione na oryginał projektu katalogowego trwałą techniką graficzną w kolorze czerwonym lub dołączone jako aneks i podpisane przez osobę uprawnioną dokonująca adaptacji.
**ważne informacje
Projekt w fazie koncepcji dostępny z wydłużonym terminem realizacji. Przy zamówieniu ustalamy termin i pobieramy zadatek 50% podstawowej ceny projektu (jako koszty usługi przygotowania dokumentacji do standardu projektu gotowego, w przypadku rezygnacji z usługi, zadatek nie podlega zwrotowi).
Cena za dodatkowy egzemplarz projektu jest zależna od nazwy projektu!
Dodatki
Bezpłatne dodatki
GratisZestaw umów
GratisZmiany w projekcie
GratisTablica budowy
GratisDziennik budowy
Płatne dodatki

Kosztorys - stan wykończony
540 zł

Projekt wentylacji mechanicznej
1 000 zł
















