- Typ projektuWolnostojący
- StylNowoczesny
- Powierzchnia użytkowa257.57 m²
- KondygnacjePiętrowy
- GarażDwustanowiskowy
- DachWielospadowy
- Kąty nach. dachu22°, 20°
- Odbicie lustrzaneNie
- Czas realizacjimax. czas realizacji 10 dni Zobacz więcej >
Opis
Zgodność z WT 2021 i Eurokodami
Ze względu na dostosowywanie projektu do standardu WT 2021, czas realizacji może się różnić od standardowego.
Skontaktuj się z nami aby poznać szczegóły dotyczące wybranego projektu.
Opis projektu
Wariant poszerzony domku o 2 m, zmiana układu pomieszczeń na parterze i piętrze.
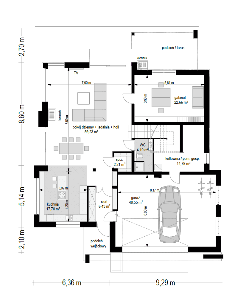
Projekt domu Oceanic to luksusowy piętrowy dom dla cztero-sześciowosobowej rodziny o nowoczesnej zwartej bryle, z ciekawym detalem i materiałami wykończeniowymi. Piętrowa prostokątna sylwetka została tutaj nakryta łagodnym czterospadowym dachem, z szerokimi okapami. Elewacja podzielona została na poziome pasy: na parterze – część murowana i obłożona kamieniem, na piętrze - okładzina drewniana ścian. Dom dzięki dużym przeszkleniom, właściwym proporcjom elewacji, ma w sobie lekkość. Szczególnie elewacja ogrodowa jest bardzo otwarta. Front domu jest nieco bardziej masywny, solidny, z mniejszymi oknami, aby w naturalny sposób swoistą barierę dla wnętrza od ulicy. Wnętrze domu ma maksymalnie prosty program i układ funkcjonalny. Na parterze mieści się duża część dzienna, z salonem, jadalnią, obszerną kuchnią i holem ze schodami. Dodatkowo na parterze mamy ładny podwójny garaż, kotłownię i pokój - gabinet / sypialnię gościnną. Na piętrze natomiast mieści się aż pięć pokoi - bardzo rzadko spotykana rzecz w tej wielkości domach. Pięć pokoi, pralnia suszarnia, dwie łazienki i centralna duża garderoba. Oczywiście podział pomieszczeń można inaczej zaplanować, ale najważniejszy jest fakt, że piętro jest bardzo pojemne. Projekt domu Oceanic to propozycja dla wszystkich tych przyszłych właścicieli domu, którzy cenią sonie nowoczesny wygląd domu, nie lubią poddaszy ze skosami, potrzebują mieć sporo przestrzeni ukrytych w pokojach - poza salonem. Jednocześnie jak na swoją wielkość dom ma na tyle zwartą bryłę i prostą konstrukcję, że koszt jego realizacji nie jest bardzo wysoki. Projekt domu Oceanic został zaprojektowany jako energooszczędny, z dużą ilością dobrych ociepleń, oraz z wentylacją mechaniczną z rekuperacją.
Konstrukcja
- Fundamentybetonowe ławy i ściany fundamentowe z bloczków betonowych
- Ściany zewnętrzneściany murowane - pustaki porotherm 25 + styropian 22 cm
- Stropmonolityczny żelbetowy
- Elewacjetynk cienkowarstwowy na styropianie, deska elewacyjna, okładzina kamienna
- Pokrycie dachudachówka
Rzuty
Dane techniczne
- Powierzchnia użytkowa257.57 m²
- Powierzchnia netto272.36 m²
- Powierzchnia zabudowy216.02 m²
- KominekTak
- Liczba łazienek3
- Liczba pokoi7
- Powierzchnia dachu273.4 m²
- Kubatura1784 m³
- Długość domu16.72 m
- Szerokość domu15.7 m
- Wysokość domu9.58 m
- Minimalne wymiary działki26.42 x 23.7m
- GarażDwustanowiskowy
- Rodzaj dachuWielospadowy
- Kąty nach. dachu22°, 20°
Koszty budowy
- Stan surowy368363 zł
- Stan surowy zamknięty471944 zł
- Koszt wykończenia372388 zł
- Koszt instalacji116773 zł
Zawartość projektu
W komplecie nowej wersji dokumentacji projektowej znajdują się 3 egzemplarze projektu architektoniczno-budowlanego oraz 3 egzemplarze projektu technicznego
Projekt architektoniczno-budowlany zawierający:
-opis architektoniczny z elementami konstrukcji,
-część rysunkowa: rzut parteru, poddasza/piętra, rzut dachu w skali 1:100, przekroje skala 1:50,
elewacje skala 1:100.
Projekt techniczny zawierający:
-opis techniczny i konstrukcyjny (obliczenia statyczne - w zależności od projektu włączone w projekt lub stanowiące odrębną teczkę).
Część rysunkowa architektura i konstrukcja:
-rzuty fundamentów, parteru, poddasza, stropu, więźby, dachu / w skali 1:50,
-przekroje przez budynek / budynek skali 1:50,
-elewacje budynku / w skali 1:50 (*niektóre projekty posiadają rysunki w skali 1:100 lub 1:75),
-zestawienie stolarki budowlanej okiennej i drzwiowej,
-szczegóły konstrukcji i ewentualne szczegóły budowlane,
Część instalacyjna:
-część opisowa do projektów instalacji elektrycznych, wodno-kanalizacyjnych, grzewczych, gazowych (jeśli występują).
Część rysunkowa do projektów instalacji:
-schematy instalacji elektrycznych, schemat rozdzielni, plan instalacji odgromowej,
-schematy instalacji wodno-kanalizacyjnej i ciepłej wody,
-schematy instalacji grzewczych,
-schemat instalacji gazowej (jeśli występują).
Do projektu dołączane jest zestawienie materiałowe, z wykazem elementów drewnianych oraz stali budowlanej.
Do projektu dołączone są kopie uprawnień wszystkich projektantów, oraz aktualne zaświadczenia o przynależności do izb zawodowych.
Projekt zawiera oświadczenie projektantów o poprawności projektu w świetle Prawa Budowlanego, a także zawiera informację dotyczącą bezpieczeństwa i ochrony zdrowia ( BIOZ).
Do projektu dołączona jest także zgoda na zmiany adaptacyjne. Zgoda dołączana jest do każdego projektu bezpłatnie. Na Państwa życzenie zakres zgody na zmiany możemy dowolnie rozszerzyć.
Pracownia zezwala na następujące zmiany i odstępstwa od projektu architektoniczno-budowlanego w trakcie jego przystosowywania do lokalizacji:
- Zmianę obrysu zewnętrznego ścian zewnętrznych.
- Zmianę obrysu wewnętrznego ścian zewnętrznych.
- Zmianę układu ścian wewnętrznych działowych.
- Zmianę funkcji, ilości i usytuowania poszczególnych pomieszczeń na dowolnej kondygnacji w projekcie.
- Zmianę ukształtowania, ilości i kąta nachylenia połaci dachowych.
- Zmianę ilości, umiejscowienia i wielkości otworów okiennych i drzwiowych.
- Zmianę rodzaju materiału i technologii wykonania ścian zewnętrznych oraz wewnętrznych oraz ścian fundamentowych.
- Zmianę rodzaju i technologii wykonania stropów nad dowolną kondygnacją.
- Zmianę umiejscowienia, kształtu i materiału wykonania schodów w budynku.
- Zmianę wielkości, kształtu i materiałów, bądź likwidacja: tarasów, podestów i balkonów.
- Likwidację lub dodanie dowolnej ilości:
- lukarn,
- wykuszy,
- podcieni,
- balkonów,
- loggii,
- kolumn,
- pilastrów,
- ganków,
- werand.
- Zmianę materiałów wykończeniowych, instalacyjnych, izolacyjnych.
- Zmianę rodzaju pokrycia dachowego.
- Doprojektowanie bądź likwidacja podpiwniczenia - częściowego lub całkowitego.
Dodatki
Bezpłatne dodatki
GratisZestaw umów
GratisZmiany w projekcie
PromocjaProjekt szamba szczelnego
GratisTablica budowy
GratisDziennik budowy
Płatne dodatki

Pakiet wentylacja mechaniczna i kominek DGP
550 zł

Kosztorys inwestorski
600 zł

Pakiet odkurzacz centralny
550 zł

Wersja elektroniczna projektu
600 zł

Pakiet instalacja solarna
550 zł

Pakiet ogrzewanie podłogowe
550 zł

Pakiet powietrzna pompa ciepła
550 zł

Pakiet płaszcz wodny
550 zł

Pakiet kotłownia na paliwo stałe
550 zł

Pakiet klimatyzacja w domu
550 zł

Projekt ogrodzenia
750 zł

Pakiet instalacja fotowoltaiczna
550 zł

Pakiet kominek z DGP
500 zł

Pakiet gruntowa pompa ciepła
550 zł

Projekt altan i grilów ogrodowych
850 zł

Dodatkowy egzemplarz do projektu
650 zł


































