Projekt domu Saturn (CE)
Promocja ważna do
05-03-2026
- Typ projektuWolnostojący
- Powierzchnia użytkowa1378.8 m²
- KondygnacjeDwupiętrowy i więcej, z piwnicą
- GarażTrzystanowiskowy lub więcej
- DachPłaski
- Kąt nach. dachu2°
- Odbicie lustrzaneTak
- Czas realizacjido 10 dni roboczych Zobacz więcej >
Opis
Zgodność z WT 2021 i Eurokodami
Ze względu na dostosowywanie projektu do standardu WT 2021, czas realizacji może się różnić od standardowego.
Skontaktuj się z nami aby poznać szczegóły dotyczące wybranego projektu.
Opis projektu
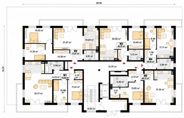
Saturn to wielorodzinny budynek mieszkalny, w którym na 4 kondygnacjach zaprojektowano 19 mieszkań o zróżnicowanej powierzchni i różnej liczbie pokoi. Znajdują się tam mieszkania o powierzchni od 39,42 m2 do 91,84 m2, które posiadają od dwóch do czterech pokoi. Każde mieszkanie posiada spory balkon. Mieszkania są zróżnicowane nie tylko pod kątem metrażu i ilości pomieszczeń, ale również pod względem kształtu i układu funkcjonalnego, w taki sposób, aby każdy mógł znaleźć mieszkanie w swoim stylu. W podziemiu znajduje się garaż z 19 miejscami postojowymi, kotłownia oraz pomieszczenia gospodarcze. Wnętrze budynku prezentuje się bardzo efektownie i estetycznie, dzięki zastosowaniu materiałów budowlanych i wykończeniowych najwyższej jakości. Elewacja budynku również odznacza się podwyższonym standardem wykończenia.Konstrukcja
Ściany: 2-warstwowe - bloczek silikatowy + styropian, Stropy: prefabrykowane płyty kanałowe, Dach: papa termozgrzewalna,Rzuty
Usytuowanie na działce
piwnica
- korytarz/komunikacja4.13
- korytarz/komunikacja12.32
- korytarz/komunikacja3.2
- pomieszczenie gospodarcze15.27
parter
pietro1
pietro2
pietro3
Dane techniczne
- Powierzchnia użytkowa1378.8 m²
- Powierzchnia zabudowy593.44 m²
- Powierzchnia dachu392.91 m²
- Kubatura7681.78 m³
- Długość domu16.25 m
- Szerokość domu28.9 m
- Wysokość domu13.93 m
- Minimalne wymiary działki16.25 x 28.9m
- GarażTrzystanowiskowy lub więcej
- Rodzaj dachuPłaski
- Kąt nach. dachu2°
Zawartość projektu
PROJEKT SKŁADA SIĘ Z:
- Projekt architektoniczno-budowlany wraz z projektem zagospodarowania działki lub terenu - 3 egzemplarze,
- Projekt techniczny - 2 egzemplarze.
Projekt architektoniczno-budowlany
Projekt zawiera rysunki architektoniczne w skali 1:50 lub 1:100:
- rzuty poziome poszczególnych kondygnacji (parter, poddasze lub piętro),
- rzut dachu,
- przekroje,
- opisy przegród,
- elewacje budynku,
- wykaz stolarki okiennej i drzwiowej,
- detale rozwiązań architektonicznych.
Projekt zawiera również opis techniczny, który wskazuje:
- zamierzony sposób użytkowania obiektu budowlanego,
- charakterystyczne parametry techniczne obiektu budowlanego (zestawienie powierzchni, kubatury, wysokość, wymiary, liczba kondygnacji),
- informację o sposobie posadowienia obiektu budowlanego,
- projektowane rozwiązania materiałowe i techniczne, mające wpływ na otoczenie, w tym środowisko,
- informację o wyposażeniu technicznym budynku, w tym projektowanym źródle ciepła do ogrzewania i przygotowania ciepłej wody użytkowej,
- inne wymagane opinie, uzgodnienia i pozwolenia.
Projekt Techniczny
Projekt techniczny zawiera:
- Opis techniczny i konstrukcyjny,
- Część architektoniczną (rzuty, przekroje, elewacje, wykaz stolarki w skali 1:50 lub 1:100),
- Część konstrukcyjną (rysunki w skali 1:25 lub 1:50) na którą składa się:
- rzuty fundamentów,
- rzuty konstrukcyjne poszczególnych kondygnacji,
- wykaz drewna na więźbę dachową i jej rzut,
- wykaz stali zbrojeniowej,
- szczegółowe rysunki detali konstrukcyjnych wraz z rozrysowanym zbrojeniem w skali 1:10 lub 1:20.
- Instalacje sanitarne, które zwierają:
- opis techniczny,
- niezbędne obliczenia,
- schematy instalacyjne przebiegu instalacji wodno-kanalizacyjnej,
- schemat instalacji CO wraz z doborem grzejników,
- schemat i rozwinięcie instalacji gazowej,
- schemat kotłowni wraz z doborem kotła,
- schemat podłączenia wodomierza i gazomierza.
- Instalacje elektryczne zawierające:
- opis techniczny i obliczenia instalacji elektrycznej i odgromowej,
- schemat rozmieszczenia elementów instalacji elektrycznej,
- schemat szafki bezpiecznikowej,
- schemat tablicy bezpiecznikowej,
- schemat instalacji telefonicznej.
Celem uniemożliwienia dekompletacji projektu, otrzymany projekt jest zabezpieczony plombą oraz hologramem, które świadczą o jego oryginalności. Zerwanie plomby lub naruszenie hologramów oznacza wykorzystanie projektu, co będzie jednoznaczne z brakiem możliwości jego zwrotu. Aby ułatwić zapoznanie się projektem, do kompletu dokumentacji dołączamy egzemplarz okazowy w formacie A4. Egzemplarz okazowy projektu umożliwi sprawdzenie projektu pod kątem warunków zabudowy oraz dopasowania projektu do działki i jest wystarczający do ewentualnej oceny przydatności projektu dla zamierzonej inwestycji.
Autor projektu wyraża zgodę na zmiany, które dopuszczają następujący zakres adaptacji:
- odbicie lustrzane,
- zmianę materiałów ściennych i wykończeniowych,
- dostosowanie fundamentów,
- zmianę kąta nachylenia dachu - do 5°,
- zmianę typu ogrzewania i stropów (jeśli nie wpływa to na konstrukcję),
- zmianę instalacji wewnętrznych,
- zmianę układu ścian działowych i otworów wewnętrznych,
- zmianę wymiarów budynku w granicach 5%,
- zmianę pokrycia dachowego,
- podpiwniczenie lub rezygnację z piwnicy,
- zmianę okien i drzwi.
Powyższe zamiany muszą być dokonane z zachowaniem obowiązujących norm i przepisów prawa budowlanego przez osoby posiadające odpowiednie uprawnienia. Wszelkie pozostałe zmiany w projektach wymagają odrębnej zgody autorów.
Dodatkowo do zakupionego projektu dołączone są
- Uprawnienia projektantów,
- Standardową zgodę na zmiany,
- Projektowaną charakterystykę energetyczną,
- Rzut w skali 1:500 do projektu zagospodarowania działki,
- Informację BIOZ (Bezpieczeństwo i Ochrona Zdrowia w czasie budowy).
*Cena dodatków wymieniona poniżej zależna jest od projektu:
- dodatkowy egzemplarz projektu,
- elektroniczna wersja projektu,
- schemat rekuperacji,
- kosztorys.
Dodatki
Bezpłatne dodatki
GratisZestaw umów
GratisZmiany w projekcie
GratisTablica budowy
GratisDziennik budowy
GratisCharakterystyka energetyczna
Płatne dodatki

Schemat szamba
70 zł60 zł















