Projekt domu Żurawinka z garażem
Promocja ważna do
24-04-2026
- Typ projektuWolnostojący
- Powierzchnia użytkowa85.9 m²
- Kondygnacje
- GarażJednostanowiskowy
- DachDwuspadowy
- Kąt nach. dachu35°
- Odbicie lustrzaneTak
- Czas realizacjimax. czas realizacji 10 dni Zobacz więcej >
Opis
Zgodność z WT 2021 i Eurokodami
Ze względu na dostosowywanie projektu do standardu WT 2021, czas realizacji może się różnić od standardowego.
Skontaktuj się z nami aby poznać szczegóły dotyczące wybranego projektu.
Opis projektu
Żurawinka to nowoczesna mała "stodoła". Nadaje się na wąskie działki i przeznaczona jest dla 4-osobowej rodziny. Zaprojektowana została w technologii murowanej z prefabrykowanymi wiązarami dachowymi. Bryła domu przekryta jest dachem dwuspadowym stromym.Funkcja Żurawinki zawiera salon z kominkiem, kuchnię ze spiżarnią oraz miejsce (jadalnia) na stół rodzinny. Hol prowadzi do części domu z dwoma pojedynczymi sypialniami rozdzielonymi wspólną wygodną łazienką oraz sypialni podwójnej z łazienką indywidualną. Na końcu korytarza znajduje się pomieszczenie techniczne – pralnia. Z boku domu znajduje się jednostanowiskowy garaż.
Konstrukcja
fundamenty: betonowe
ściany zewnętrzne: porotherm+styropian termo organika
rodzaj stropu i konstrukcja dachu: wiązary prefabrykowane mitek
elewacje: tynk strukturalny
pokrycie dachu: blacha
Rzuty
Parter
- m²
- 1. Wiatrołap4.2
- 2. WC1.4
- 3. Hol7.3
- 4. Pokój11.9
- 5. Łazienka2.5
- 6. Pokój10.7
- 7. Łazienka5
- 8. Pokój10.7
- 9. Salon21.6
- 10. Kuchnia8.1
- 11. Spiżarnia2.5
- 12. Pom. tech. , Pralnia*9.4
- 13. Garaż*19
Przekrój
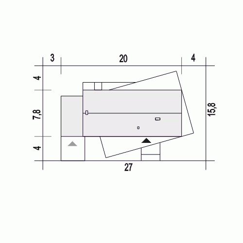
Usytuowanie na działce
Dane techniczne
- Powierzchnia użytkowa85.9 m²
- Powierzchnia zabudowy149.1 m²
- KominekTak
- Liczba łazienek2
- Liczba pokoi4
- Powierzchnia dachu151.8 m²
- Długość domu7.8 m
- Szerokość domu20 m
- Wysokość domu6.3 m
- Minimalne wymiary działki15.8 x 27m
- GarażJednostanowiskowy
- Rodzaj dachuDwuspadowy
- Kąt nach. dachu35°
Instalacja grzewcza
- Instalacja grzewczaGaz
Zawartość projektu
Zgodnie ze znowelizowaną Ustawą Prawo Budowlane art.34 ust.3, na projekt budowlany składają się trzy części:
- projekt zagospodarowania działki lub terenu
- projekt architektoniczno-budowlany
- projekt techniczny
Nasze projekty oferujemy w 3 egzemplarzach, zawierających projekt architektoniczno-budowlany i projekt techniczny. Projekt zagospodarowania działki lub terenu nie wchodzi w skład projektu oferowanego do sprzedaży. Projekt ten należy zlecić we własnym zakresie lokalnemu projektantowi, który opracuje go na podstawie danych zawartych w projekcie architektoniczno-budowlanym i technicznym, po dostosowaniu projektu do warunków lokalnych i wymagań inwestora.
UWAGA: wszystkie egzemplarze projektu zabezpieczone są hologramami, w części rysunkowej posiadają nadruki zabezpieczające w kolorze zielonym. Zalecamy aby po otrzymaniu przesyłki kontrolować czy na pierwszych stronach projektu znajduje się hologram i czy na rysunkach widoczne są w/w nadruki potwierdzające oryginalność projektu.
Wyrażamy zgodę na wszelkie zmiany zgodne z obowiązującymi przepisami pod warunkiem wprowadzenia ich przez uprawnioną osobę.
Wszystkie zmiany wymienione powyżej powinny być naniesione na oryginał projektu katalogowego trwałą techniką graficzną w kolorze czerwonym lub dołączone jako aneks i podpisane przez osobę uprawnioną dokonująca adaptacji.
**ważne informacje
Projekt w fazie koncepcji dostępny z wydłużonym terminem realizacji. Przy zamówieniu ustalamy termin i pobieramy zadatek 50% podstawowej ceny projektu (jako koszty usługi przygotowania dokumentacji do standardu projektu gotowego, w przypadku rezygnacji z usługi, zadatek nie podlega zwrotowi).
Cena za dodatkowy egzemplarz projektu jest zależna od nazwy projektu!
Dodatki
Bezpłatne dodatki
GratisZestaw umów
GratisZmiany w projekcie
GratisTablica budowy
GratisDziennik budowy
Płatne dodatki

Kosztorys - stan wykończony
540 zł

Projekt wentylacji mechanicznej
1 000 zł















