- Typ projektuWolnostojący
- StylNowoczesny
- Powierzchnia użytkowa181.05 m²
- KondygnacjeParterowy
- GarażDwustanowiskowy
- DachCzterospadowy
- Kąt nach. dachu35°
- Odbicie lustrzaneTak
- Czas realizacjimax. czas realizacji 10 dni Zobacz więcej >
Opis
Zgodność z WT 2021 i Eurokodami
Ze względu na dostosowywanie projektu do standardu WT 2021, czas realizacji może się różnić od standardowego.
Skontaktuj się z nami aby poznać szczegóły dotyczące wybranego projektu.
Opis projektu
Parterowa willa rodzinna o powierzchni użytkowej 181,05 m². Układ funkcjonalny zawiera cztery niezależne pokoje, elegancki salon, ergonomiczną kuchnię i podwójny garaż. Projekt należy do grupy domów energooszczędnych. Dokumentacja zawiera schemat instalacji mechanicznej z rekuperacją oraz system solarny. Ogrzewanie gazowe sprawia, iż dom nie tylko dba o oszczędność energii, ale jest również ekologiczny. Rozkład pomieszczeń zaplanowano tak, aby każdy z domowników miał komfortowy dostęp zarówno do części wspólnych, jak i łazienki. Zaplecze gospodarcze tego okazałego domu stanowi duża kotłownia, pralnia, garderoba i podwójny garaż. Parkowa 3 posiada 2 tarasy oraz zewnętrzny grill barbecue. Na uwagę zasługuje tu apartament rodziców, z prywatną łazienką i garderobą. Ulokowany w zaciszu domu daje poczucie intymności, ale gwarantuje również doskonałą komunikację z całym domem. Stylistyka wykończenia zewnętrznego, oparta na połączeniu czerni i bieli nawiązuje do najnowszych trendów w projektowaniu. Idealna parterowa opcja dla 5-6 osobowej rodziny.Konstrukcja
Ściany zewnętrzne: pustak 25 cm, styropian 20 cm.Ściany nośne: pustak 25 cm.
Strop: monolityczny żelbetowy.
Dach: kąt nachylenia 35°, pokrycie - dachówka ceramiczna lub betonowa.
Rzuty
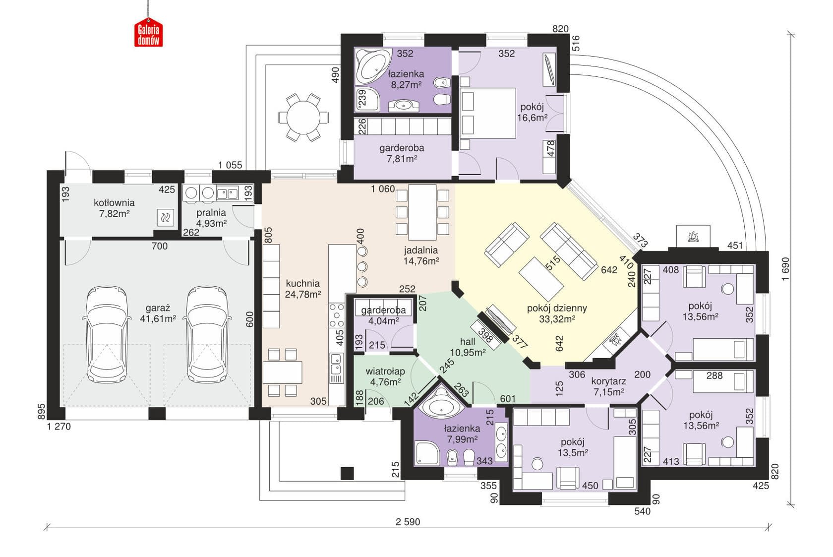
Parter
- 1 - wiatrołap4.76 m²
- 2 - hall10.95 m²
- 3 - garderoba4.04 m²
- 4 - jadalnia14.76 m²
- 5 - kuchnia24.78 m²
- 6 - garaż41.61 m²
- 7 - kotłownia7.82 m²
- 8 - pralnia4.93 m²
- 9 - garderoba7.81 m²
- 10 - łazienka8.27 m²
- 11 - pokój16.6 m²
- 12 - pokój dzienny33.32 m²
- 13 - pokój13.56 m²
- 14 - pokój13.56 m²
- 15 - pokój13.5 m²
- 16 - korytarz7.15 m²
- 17 - łazienka7.99 m²
Przekrój
Sytuacja
Dane techniczne
- Powierzchnia użytkowa181.05 m²
- Powierzchnia zabudowy294.16 m²
- KominekTak
- Liczba łazienek2
- Liczba pokoi5
- Kubatura1097.13 m³
- Wysokość domu7.27 m
- Minimalne wymiary działki32.9 x 24.9m
- GarażDwustanowiskowy
- Rodzaj dachuCzterospadowy
- Kąt nach. dachu35°
Instalacja grzewcza
- Instalacja grzewczainstalacja solarna, instalacja wentylacji mechanicznej
Zawartość projektu
Każdy egzemplarz dokumentacji składa się z z 6 egzemplarzy.Architekt wykonujący przystosowanie projektu gotowego tworzy projekt budowlany składający się z dwóch części - projektu architektoniczno-budowlanego (3 egzemplarze) oraz projektu technicznego (3 egzemplarze).
Projekt gotowy zawiera:
-projekt architektoniczny - zawierający opis oraz rysunki techniczne,
-projekt konstrukcyjny - składający się z opisu, obliczeń statycznych, rysunków oraz zestawień stali konstrukcyjnej i elementów więźby
-projekt wewnętrznych instalacji sanitarnych i grzewczych obejmujący instalacje: c.o., wodną, kanalizacyjną i gazową - zawierający opis, rysunki techniczne i zestawienia materiałów
-projekt wewnętrznej instalacji elektrycznej i odgromowej - składający się z opisu oraz rysunków technicznych.
We wszystkich egzemplarzach znajdą Państwo dołączony komplet uprawnień oraz niezbędne zaświadczenia projektantów o wpisach do izb zawodowych.
Zgoda na zmiany w pełnym zakresie dołączana jest automatycznie do projektu gotowego. Projektant dokonujący adaptacji projektu może wprowadzić następujące zmiany:
- wynikające z dostosowania budynku do warunków lokalnych
- zmiana technologii w zakresie użytych materiałów
- zmiana ilości, wielkości i usytuowania otworów okiennych i drzwiowych
- zmiana funkcji niektórych pomieszczeń
- zmiana wysokości pomieszczeń
- przesunięcie lub likwidacja niektórych ścian działowych
- zmiana obrysu zewnętrznego budynku
- adaptacja poddasza na cele mieszkalne
- zmiana wysokości ścian kolankowych
- zmiana geometrii połaci dachowych: kąta nachylenia, ilości i układu połaci dachowych (np. zmiana z wielospadowego, na dwuspadowy lub odwrotnie)
- zmiana lukarn na okna połaciowe (lub odwrotnie)
- zmiany szerokości biegów schodowych, liczby stopni i wymiarów schodów
- instalacji wewnętrznych
- zmiana ilości, wielkości i usytuowania trzonów kominowych
- zmiana wielkości i kształtu tarasów zewnętrznych
- wprowadzenie częściowego (całkowitego) podpiwniczenia budynku lub rezygnacja z podpiwniczenia
- dobudowanie garażu (wiaty garażowej) lub rezygnacja z garażu
- wykonanie lustrzanego odbicia
- likwidacja lub dodanie balkonu
- zmiana formy wejścia do budynku
- dobudowa do istniejącego budynku lub zestawienie w zabudowie bliźniaczej
- zmiana sposobu użytkowania budynku
- zmiany w układzie konstrukcji budynku na podstawie opracowania przez uprawnionego inżyniera budownictwa lądowego
Zmiany powyższe powinny być zaznaczone kolorem czerwonym w projekcie gotowym i podpisane przez osobę uprawnioną. W uzasadnionych przypadkach należy wykonać rysunki zamienne. Za zakres i poprawność przystosowania projektu gotowego (w tym wprowadzonych zmian) oraz za jego zgodność z obowiązującymi normami i przepisami budowlanymi w dniu składania projektu do zatwierdzenia, odpowiedzialność ponosi projektant przystosowujący projekt gotowy. Obowiązki z tytułu sprawowania nadzoru autorskiego przyjmuje na siebie projektant przystosowujący projekt gotowy.
Inne warianty tego projektu
Dodatki
Bezpłatne dodatki
GratisZestaw umów
GratisZmiany w projekcie
GratisTablica budowy
GratisDziennik budowy














