- Typ projektuWolnostojący
- Powierzchnia użytkowa107.3 m²
- Kondygnacje
- GarażJednostanowiskowy
- DachWielospadowy
- Kąt nach. dachu25°
- Odbicie lustrzaneTak
- Czas realizacjimax. czas realizacji 10 dni Zobacz więcej >
Opis
Zgodność z WT 2021 i Eurokodami
Ze względu na dostosowywanie projektu do standardu WT 2021, czas realizacji może się różnić od standardowego.
Skontaktuj się z nami aby poznać szczegóły dotyczące wybranego projektu.
Opis projektu
Kalcyt to nowoczesny projekt domu dla 4-osobowej rodziny. Budynek przekryty jest dachem wielospadowym na konstrukcji prefabrykowanej Mitek. Zarówno wejście do domu jak i część tarasu z tyłu domu znajdują się w praktycznym podcieniu. Od frontu zaprojektowano garaż, pomieszczenia gospodarcze oraz kuchnię. Pozostałe pomieszczenia są umieszczone w głębi budynku. W projekcie zaproponowano salon, 3 sypialnie, łazienkę, WC kotłownię z pralnią i kuchnię z wygodną spiżarnią. W obszernym holu przewidziano miejsce na dużą szafę.
Konstrukcja
fundamenty: betonowe
ściany zewnętrzne: porotherm+styropian termo organika
rodzaj stropu i konstrukcja dachu: wiązary prefabrykowane mitek
elewacje: tynk strukturalny
pokrycie dachu: dachówka ceramiczna
Rzuty
Parter
- m²
- 1. Wiatrołap3.7
- 2. Hol9.1
- 3. Spiżarnia2.9
- 4. Kuchnia9.8
- 5. Salon33.6
- 6. WC2
- 7. Łazienka4.6
- 8. Sypialnia10.9
- 9. Sypialnia14.6
- 10. Sypialnia11.6
- 11. Korytarz4.5
- 12. Kotłownia + pralnia*4.3
- 13. Garaż*18.4
Przekrój
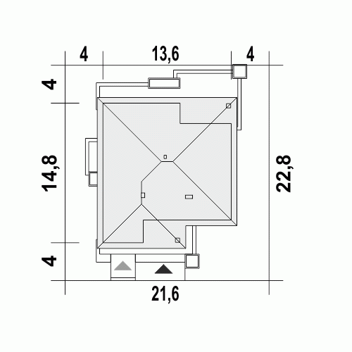
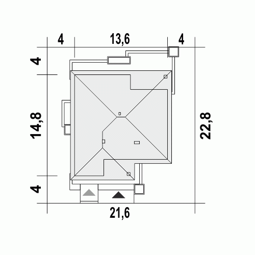
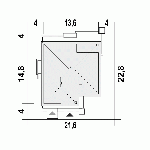
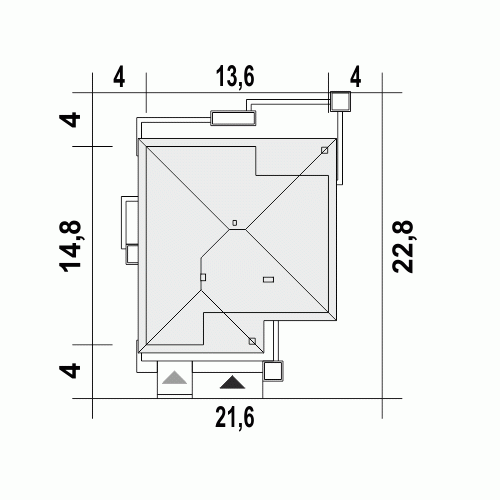
Usytuowanie na działce
Dane techniczne
- Powierzchnia użytkowa107.3 m²
- Powierzchnia zabudowy166.8 m²
- KominekTak
- Liczba łazienek1
- Liczba pokoi4
- Powierzchnia dachu259 m²
- Kubatura351 m³
- Długość domu14.8 m
- Szerokość domu13.6 m
- Wysokość domu6.9 m
- Minimalne wymiary działki22.8 x 21.6m
- GarażJednostanowiskowy
- Rodzaj dachuWielospadowy
- Kąt nach. dachu25°
Instalacja grzewcza
- Instalacja grzewczaGaz
- Instalacja opcjonalna
Zawartość projektu
Zgodnie ze znowelizowaną Ustawą Prawo Budowlane art.34 ust.3, na projekt budowlany składają się trzy części:
- projekt zagospodarowania działki lub terenu
- projekt architektoniczno-budowlany
- projekt techniczny
Nasze projekty oferujemy w 3 egzemplarzach, zawierających projekt architektoniczno-budowlany i projekt techniczny. Projekt zagospodarowania działki lub terenu nie wchodzi w skład projektu oferowanego do sprzedaży. Projekt ten należy zlecić we własnym zakresie lokalnemu projektantowi, który opracuje go na podstawie danych zawartych w projekcie architektoniczno-budowlanym i technicznym, po dostosowaniu projektu do warunków lokalnych i wymagań inwestora.
UWAGA: wszystkie egzemplarze projektu zabezpieczone są hologramami, w części rysunkowej posiadają nadruki zabezpieczające w kolorze zielonym. Zalecamy aby po otrzymaniu przesyłki kontrolować czy na pierwszych stronach projektu znajduje się hologram i czy na rysunkach widoczne są w/w nadruki potwierdzające oryginalność projektu.
Wyrażamy zgodę na wszelkie zmiany zgodne z obowiązującymi przepisami pod warunkiem wprowadzenia ich przez uprawnioną osobę.
Wszystkie zmiany wymienione powyżej powinny być naniesione na oryginał projektu katalogowego trwałą techniką graficzną w kolorze czerwonym lub dołączone jako aneks i podpisane przez osobę uprawnioną dokonująca adaptacji.
**ważne informacje
Projekt w fazie koncepcji dostępny z wydłużonym terminem realizacji. Przy zamówieniu ustalamy termin i pobieramy zadatek 50% podstawowej ceny projektu (jako koszty usługi przygotowania dokumentacji do standardu projektu gotowego, w przypadku rezygnacji z usługi, zadatek nie podlega zwrotowi).
Cena za dodatkowy egzemplarz projektu jest zależna od nazwy projektu!
Dodatki
Bezpłatne dodatki
GratisZestaw umów
GratisZmiany w projekcie
GratisTablica budowy
GratisDziennik budowy
Płatne dodatki

Kosztorys - stan wykończony
540 zł

Projekt wentylacji mechanicznej
1 000 zł







