Promocja ważna do
24-04-2026
- Typ projektuWolnostojący
- Powierzchnia użytkowa103.1 m²
- Kondygnacje
- GarażBez garażu
- DachDwuspadowy
- Kąt nach. dachu25°
- Odbicie lustrzaneTak
- Czas realizacjimax. czas realizacji 10 dni Zobacz więcej >
Opis
Zgodność z WT 2021 i Eurokodami
Ze względu na dostosowywanie projektu do standardu WT 2021, czas realizacji może się różnić od standardowego.
Skontaktuj się z nami aby poznać szczegóły dotyczące wybranego projektu.
Opis projektu
Projekt domu Bratek IV to kolejny projekt z serii projektów o tej nazwie. To projekt domu parterowego o prostej formie i konstrukcji. Bratek IV to dom ekonomiczny w budowie i utrzymaniu, o tradycyjnej konstrukcji murowanej, przekryty dwuspadowym dachem z wiązarów prefabrykowanych. Na funkcję domu składa się w części ogólnodostępnej: wiatrołap, centralnie umieszczony przestronny salon z jadalnią, kuchnia oraz wydzielona toaleta. Część prywatna zlokalizowana po lewej stronie, przeznaczona jest dla rodziców i mamy tu przewidzianą wygodną sypialnię z garderobą i osobna łazienką. Po prawej stronie przewidziano dwie sypialnie i wygodną łazienkę. Konstrukcja dachu z prefabrykowanych wiązarów umożliwia wykorzystanie strychu jako przestrzeń magazynową. Projekt domu Bratek IV to ekonomiczna propozycja domu energooszczędnego o powierzchni około 100 m2, idealna na pierwszy dom dla rodziny 3-4ro osobowej.
Konstrukcja
fundamenty: betonowe
ściany zewnętrzne:: porotherm+styropian
ściany wewnętrzne:: porotherm
rodzaj stropu i konstrukcja dachu:: wiązary prefabrykowane mitek
elewacje: tynk strukturalny, okładzina drewniana
pokrycie dachu: dachówka cementowa lub ceramiczna
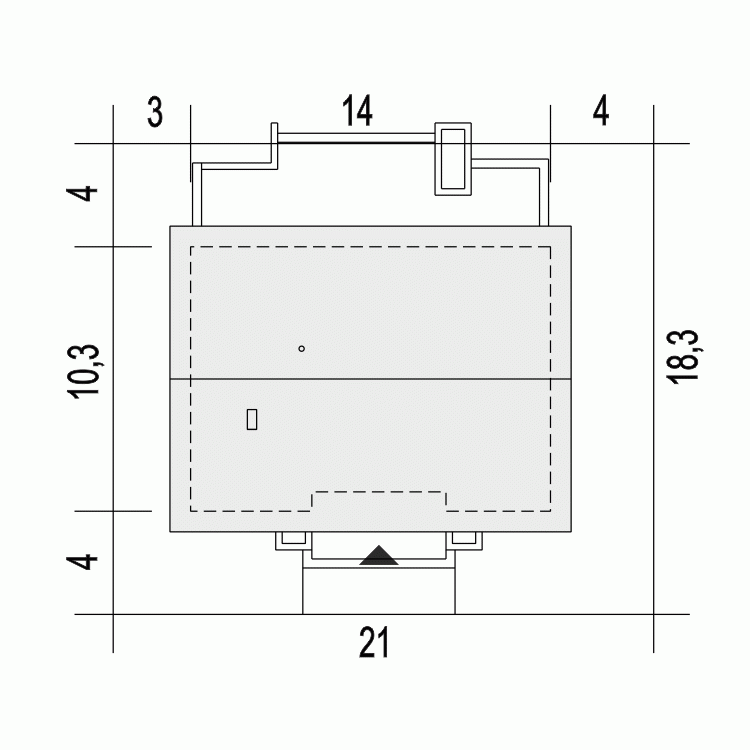
Rzuty
Parter
- m²
- 1. Wiatrołap5.1
- 2. Hol3
- 3. Toaleta1.9
- 4. Pralnia/C.O.*5.2
- 5. Łazienka5
- 6. Sypialnia z garderobą16.5
- 7. Salon + jadalnia33.2
- 8. Kuchnia10.4
- 9. Korytarz3.2
- 10. Sypialnia10.5
- 11. Łazienka3.8
- 12. Sypialnia10.5
Przekrój
Usytuowanie na działce
Dane techniczne
- Powierzchnia użytkowa103.1 m²
- Powierzchnia zabudowy139.9 m²
- KominekTak
- Liczba łazienek2
- Liczba pokoi4
- Powierzchnia dachu203.5 m²
- Kubatura292 m³
- Długość domu14 m
- Szerokość domu10.3 m
- Wysokość domu6.1 m
- Minimalne wymiary działki18.3 x 21m
- GarażBez garażu
- Rodzaj dachuDwuspadowy
- Kąt nach. dachu25°
Instalacja grzewcza
- Instalacja grzewczaGaz
- Instalacja opcjonalna
Zawartość projektu
Zgodnie ze znowelizowaną Ustawą Prawo Budowlane art.34 ust.3, na projekt budowlany składają się trzy części:
- projekt zagospodarowania działki lub terenu
- projekt architektoniczno-budowlany
- projekt techniczny
Nasze projekty oferujemy w 3 egzemplarzach, zawierających projekt architektoniczno-budowlany i projekt techniczny. Projekt zagospodarowania działki lub terenu nie wchodzi w skład projektu oferowanego do sprzedaży. Projekt ten należy zlecić we własnym zakresie lokalnemu projektantowi, który opracuje go na podstawie danych zawartych w projekcie architektoniczno-budowlanym i technicznym, po dostosowaniu projektu do warunków lokalnych i wymagań inwestora.
UWAGA: wszystkie egzemplarze projektu zabezpieczone są hologramami, w części rysunkowej posiadają nadruki zabezpieczające w kolorze zielonym. Zalecamy aby po otrzymaniu przesyłki kontrolować czy na pierwszych stronach projektu znajduje się hologram i czy na rysunkach widoczne są w/w nadruki potwierdzające oryginalność projektu.
Wyrażamy zgodę na wszelkie zmiany zgodne z obowiązującymi przepisami pod warunkiem wprowadzenia ich przez uprawnioną osobę.
Wszystkie zmiany wymienione powyżej powinny być naniesione na oryginał projektu katalogowego trwałą techniką graficzną w kolorze czerwonym lub dołączone jako aneks i podpisane przez osobę uprawnioną dokonująca adaptacji.
**ważne informacje
Projekt w fazie koncepcji dostępny z wydłużonym terminem realizacji. Przy zamówieniu ustalamy termin i pobieramy zadatek 50% podstawowej ceny projektu (jako koszty usługi przygotowania dokumentacji do standardu projektu gotowego, w przypadku rezygnacji z usługi, zadatek nie podlega zwrotowi).
Cena za dodatkowy egzemplarz projektu jest zależna od nazwy projektu!
Dodatki
Bezpłatne dodatki
GratisZestaw umów
GratisZmiany w projekcie
GratisTablica budowy
GratisDziennik budowy
Płatne dodatki

Kosztorys - stan wykończony
540 zł

Projekt wentylacji mechanicznej
1 000 zł







