- Typ projektuWolnostojący
- Powierzchnia użytkowa110 m²
- Kondygnacje
- GarażBez garażu
- DachDwuspadowy
- Kąt nach. dachu30°
- Odbicie lustrzaneTak
- Czas realizacjimax. czas realizacji 10 dni Zobacz więcej >
Opis
Zgodność z WT 2021 i Eurokodami
Ze względu na dostosowywanie projektu do standardu WT 2021, czas realizacji może się różnić od standardowego.
Skontaktuj się z nami aby poznać szczegóły dotyczące wybranego projektu.
Opis projektu
Flora - parterowy projekt domu nowoczesnego dla 4 osobowej rodziny.
Konstrukcja
fundamenty: betonowe
ściany: porotherm+styropian termo organika
rodzaj stropu i konstrukcja dachu: wiązary prefabrykowane mitek
elewacje: tynk strukturalny
pokrycie dachu: dachówka ceramiczna
Rzuty
Parter
- m²
- 1. Wiatrołap5.4
- 2. Hol2.3
- 3. Kotłownia*5.5
- 4. Pralnia/spiżarnia2.6
- 5. Kuchnia8.8
- 6. Salon34.6
- 7. Korytarz7.5
- 8. Sypialnia10.8
- 9. Sypialnia10.8
- 10. Garderoba2.5
- 11. Sypialnia12.3
- 12. Łazienka2.9
- 13. Garderoba2.8
- 14. Łazienka5.4
- 15. WC1.3
Przekrój
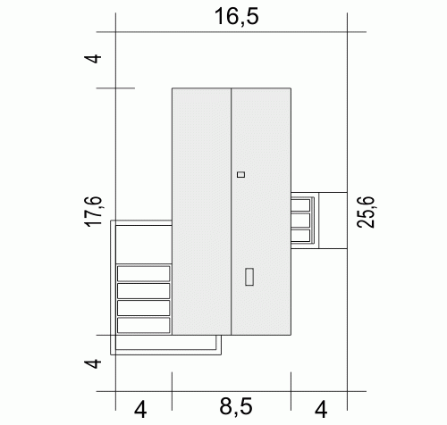
Usytuowanie na działce
Dane techniczne
- Powierzchnia użytkowa110 m²
- Powierzchnia zabudowy149.1 m²
- KominekTak
- Liczba łazienek2
- Liczba pokoi4
- Powierzchnia dachu171.5 m²
- Kubatura301 m³
- Długość domu8.5 m
- Szerokość domu17.6 m
- Wysokość domu6 m
- Minimalne wymiary działki16.5 x 25.6m
- GarażBez garażu
- Rodzaj dachuDwuspadowy
- Kąt nach. dachu30°
Instalacja grzewcza
- Instalacja grzewczaGaz, Paliwo stałe
- Instalacja opcjonalna
Zawartość projektu
Zgodnie ze znowelizowaną Ustawą Prawo Budowlane art.34 ust.3, na projekt budowlany składają się trzy części:
- projekt zagospodarowania działki lub terenu
- projekt architektoniczno-budowlany
- projekt techniczny
Nasze projekty oferujemy w 3 egzemplarzach, zawierających projekt architektoniczno-budowlany i projekt techniczny. Projekt zagospodarowania działki lub terenu nie wchodzi w skład projektu oferowanego do sprzedaży. Projekt ten należy zlecić we własnym zakresie lokalnemu projektantowi, który opracuje go na podstawie danych zawartych w projekcie architektoniczno-budowlanym i technicznym, po dostosowaniu projektu do warunków lokalnych i wymagań inwestora.
UWAGA: wszystkie egzemplarze projektu zabezpieczone są hologramami, w części rysunkowej posiadają nadruki zabezpieczające w kolorze zielonym. Zalecamy aby po otrzymaniu przesyłki kontrolować czy na pierwszych stronach projektu znajduje się hologram i czy na rysunkach widoczne są w/w nadruki potwierdzające oryginalność projektu.
Wyrażamy zgodę na wszelkie zmiany zgodne z obowiązującymi przepisami pod warunkiem wprowadzenia ich przez uprawnioną osobę.
Wszystkie zmiany wymienione powyżej powinny być naniesione na oryginał projektu katalogowego trwałą techniką graficzną w kolorze czerwonym lub dołączone jako aneks i podpisane przez osobę uprawnioną dokonująca adaptacji.
**ważne informacje
Projekt w fazie koncepcji dostępny z wydłużonym terminem realizacji. Przy zamówieniu ustalamy termin i pobieramy zadatek 50% podstawowej ceny projektu (jako koszty usługi przygotowania dokumentacji do standardu projektu gotowego, w przypadku rezygnacji z usługi, zadatek nie podlega zwrotowi).
Cena za dodatkowy egzemplarz projektu jest zależna od nazwy projektu!
Polecane projekty
Dodatki
Bezpłatne dodatki
GratisZestaw umów
GratisZmiany w projekcie
GratisTablica budowy
GratisDziennik budowy
Płatne dodatki

Kosztorys - stan wykończony
540 zł

Projekt wentylacji mechanicznej
1 000 zł















